Угольник поверочный плоский PN255120 Kinex
Код товара: WN00166225
- Тип - плоский.
- Размеры: от 100х63 до 1000х500 мм.
- Соответствует стандарту PN255120.
- Выполнен из инструментальной стали.
- Родина бренда - Чехия.
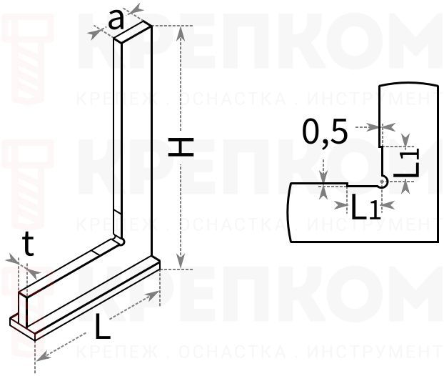
Поверочный угольник Kinex служит для определения соответствия прямых углов заданным показателям, измерения перпендикулярности в деталях и конструкциях. Тип УП - плоский.
Особенности
- Изготовлен в соответствии со стандартом PN255120.
- Две плоские рабочие стороны образуют наружный и внутренний угол 90°.
- Специальная канавка во внутреннем углу обеспечивает зазор для заусенцев и мусора.
- Угольник выполнен из высококачественной инструментальной стали.
Размеры

| Артикул | Размер Н | Размер L | Размер а | Размер t | Размер L1 |
| 4010 | 100 | 63 | 17 | 4 | - |
|
4011 |
160 | 100 | 26 | 5 | - |
|
4012 |
250 | 160 | 26 | 5 | - |
|
4013 |
400 | 250 | 32 | 6 | 18 |
|
4014 |
630 | 400 | 40 | 8 | 22 |
|
4015 |
750 | 375 | 40 | 8 | 22 |
|
4016 |
1000 | 500 | 40 | 8 | 22 |
Все размеры указаны в мм
Характеристики
-
Бренд
-
DIN875
-
Единицы измеренияшт
-
МатериалИнструментальная сталь
-
Штрих код
* Производитель оставляет за собой право без уведомления менять характеристики, конструкцию, внешний вид и комплектацию товара.
Представленная информация не является публичной офертой
Отзывов пока нет
Спасибо!
Ваш отзыв сохранен и будет отображен после модерации